Po zanimanju sam građevinski inženjer. Završio sam fakultet tehničkih nauka u Novom Sadu i srednju građevinsku školu Mileva Marić Ajnštajn u Novom Sadu. Imam relativno dosta iskustva kod držanja časova.
Časovi su namenjeni prvenstveno srednjoškolcima. ali u obzir dolaze i studenti, uglavnom viših škola.
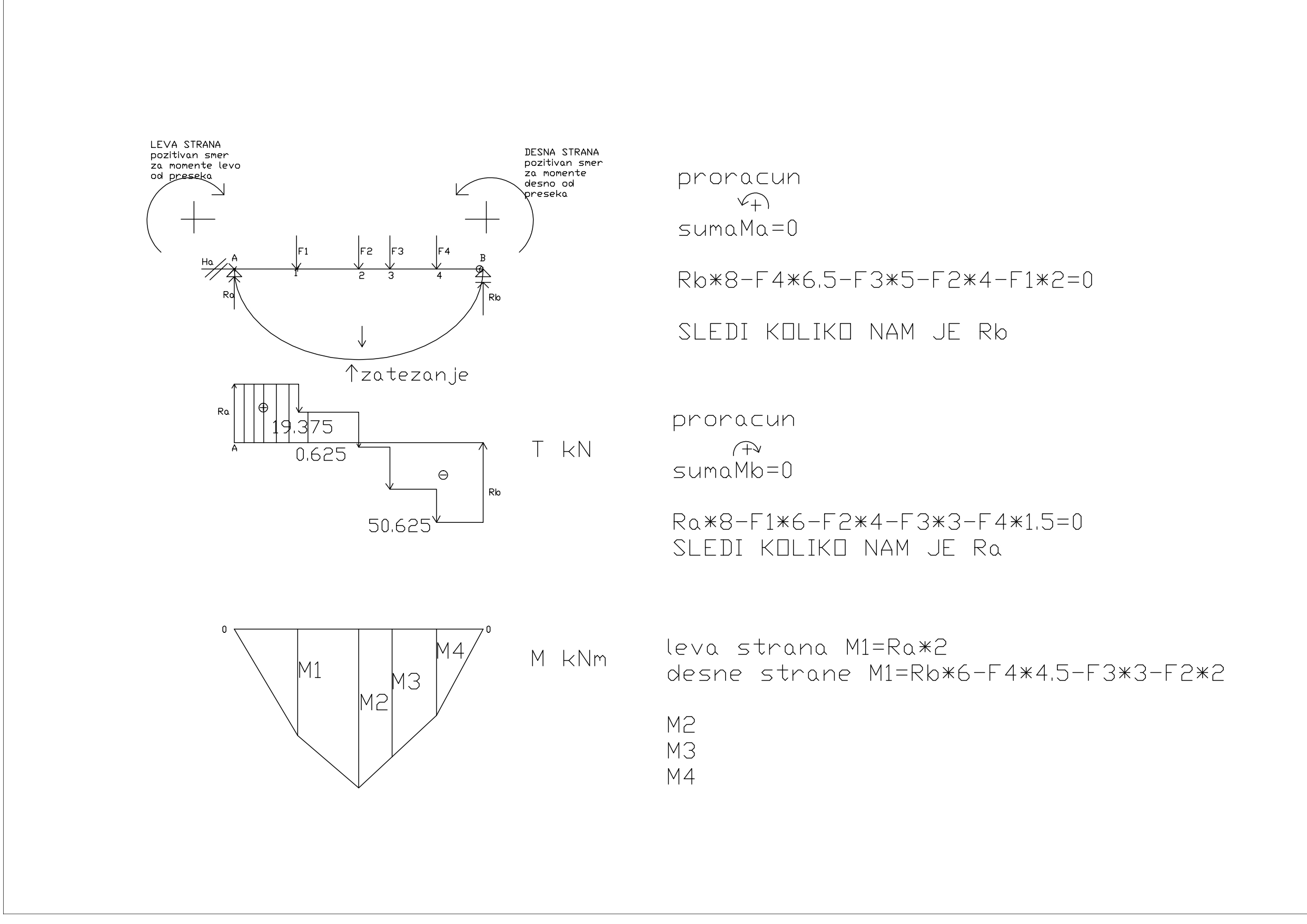
Na časovim se rešavaju sledeći tipovi zadataka:
– Gredni nosači – prosta greda,
– Gredni nosači sa prepustima,
– Gredni nosači-grafička metoda,
– Rešetke – primenom Riterove metode,
– Rešetke primenom metode čvorova,
– Puni nosači,
– Određivanje težišta složene površine.
Pomažem prilikom izrade grafičkih radova, preko računara ili ručno. Cena varira u zavisnosti od složenosti grafičkog rada.
Srdačan pozdrav svim zainteresovanim!
Dragan 061/273-59-64
Novi Sad, Subotica
